1. Compteur asynchrone modulo 102. Compteur asynchrone modulo 133. Compteur synchrone modulo 10EXERCICE 2Utiliser les bascules D pour réaliser un compteur synchrone modulo 8.EXERCICE 3
1. Déterminer les équations des entrées J et K des bascules.2. On suppose que le compteur part de l'état QAQBQCQD = 0000. Tracez les chronogrammes de l'horloge H et des sorties QA, QB, QC et QD.3. Déterminez le modulo de ce compteur.EXERCICE 4Indiquer la fréquence aux points A et B si la fréquence de l’horloge est de 120 kHz.
EXERCICE 5Dessinez les formes d’onde demandées suite à l’analyse de la figure suivante :
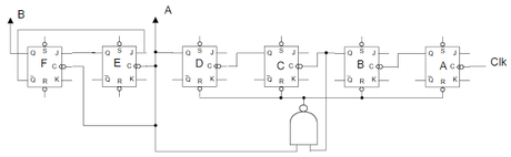
Quels sont le type et le modulo de ce compteur ?EXERCICE 6
1. Donnez les équations des entrées J et K des 3 bascules.2. On suppose que le compteur par de l'état QCQBQA = 000. Tracez les chronogrammes de l'horloge H et des sorties QA, QBet QC.3. Déterminez le modulo de ce compteur, la fréquence fI (I = A, B ou C)et le rapport cyclique aI pour QA, QB et QC,
CORRECTION - SOLUTIONS
--------------------------------------------------------------------------------------Compteurs : corrigésSOLUTION EXERCICE 1On va utiliser la bascule JK 7476 pour réaliser les compteurs.1. Compteur asynchrone modulo 10


2. Compteur asynchrone modulo 13
3. Compteur synchrone modulo 10
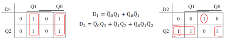
Pour réaliser des compteurs synchrones à base des bascules JK, on utilise la table suivante :

P : présent F : future
A partir de la table Q0J0 K0 on peut tirer J0 = K0 = 1
















1. JA = KA = 1 JB = QA KB = QAQC JC= QAQB KC = QA2.

3. D’après les chronogrammes, ce compteur a pour modulo 6

