2. Comment peut-on synthétiser une bascule D à partir d’une bascule JK?
Exercice 2
Trois bascules D sont initialisées avec (Q0, Q1, Q2) = (1, 0, 1).
Dresser un tableau avec les états de Q0, Q1, Q2 pour les dix premières périodes d’horloge.
Exercice 3
Tracer les chronogrammes de Q1et de Q2 pour un signal d’horloge H de 1Hz. Q1 et Q2 sont nuls à t = 0.Exercice 4
Expliquer le fonctionnement du montage suivant :

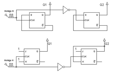
Exercice 5
1. Pour les deux montages, tracer les chronogrammes de Q1 et de Q2 pour un signal d’horloge H de 1Hz. Q1 et Q2 sont nuls à t = 0. Conclure.2. Quelles sont les fréquences de Q1 et de Q2 ?3. Quel est le déphasage entre Q1 et Q2--------------------------------------------------------------------------------------CORRECTION - SOLUTIONS
--------------------------------------------------------------------------------------Bascules : corrigés
Solution Exercice 1
1.
2. On voit sur la table de la bascule JK, qu’on peut synthétiser une bascule D en prenant :

Solution Exercice 2


Solution Exercice 3
Img


Solution Exercice4
1. Bouton poussoir au repos (non appuyé), D = 0 et Q = 1 (même raisonnement pour D =1 et Q = 0) : C1 est chargé et CLK = 12. Bouton poussoir activé (appuyé), C1 est déchargé et CLK = 03. Bouton poussoir relâché (non appuyé), C1 se charge et CLK = 1, on est passé de 0 à 1 (front montant) Þ la bascule recopie D en Q (Q = 0) et la bascule mémorise cet état jusqu’à une nouvelle action sur le bouton poussoir.Donc à chaque fois qu’on appui et on relâche le bouton poussoir la bascule change d’état. On peut utiliser ce système, par exemple, pour allumer ou éteindre un poste TV.Solution Exercice 5
1. Pour les deux montages, on a les chronogrammes suivants :
2. La période de Q1 est T1 = 2 x TH = Þ 1/f1 = 2 x 1/fH Þ f1 = fH/2 = 0,5Hz. De même, la période de Q2 est T2 = 2 x TH = Þ 1/f2 = 2 x 1/fH Þ f2 = fH/2 = 0,5Hz.donc : T1 = T2 = T = 2 x TH et f1 = f2 = f = fH/23. Le déphasage entre Q1 et Q2 est TH/2 = T/4
